|
|
|
《机械设计基础》期考试题及答案 填空题(30分) 一 填空题 1、根据轮系中各轮轴线在空间的相对位置是否固定,轮系分( )和( )两类。 2、按轴的承载情况不同,可分为( ),( ),( )。 3、当两个构件通过运动副联接,任一个构件的运动受到限制,从而使自由度减少,这种限制就称为( )。 4、一对直齿圆柱齿轮要正确啮合,其( )和( )必须相等。 5、铰链四杆机构的基本类型有( )、( )、( )三种。 6、加惰轮的轮系只改变( ),不改变( )。 7、直齿圆柱齿轮的基本参数有( )、( )、( )、齿顶高系数和顶隙系数。 8、凸轮机构按从动件形式的不同可分为( )从动杆、( )从动杆和( )从动杆。 9、键联接主要用于联接( )和( )用来确定转动零件的( )和( )。 10、螺纹联接的防松方法常用( )、( )、( )。 11、根据摩擦性质的不同,轴承可以分为( )( )两大类。 12、根据工作原理的不同,离合器主要分为 ( )( )两大类 二 选择题:(15分) 1、机械中常利用( )的惯性力来越过机构的死点位置。 A、主动构件 B、联接构件 C、从动构件 2、普通螺纹的牙型角是( )。 A、30° B、55° C、60° 3、( )个构件直接接触产生某种相对运动的联接称为运动副。 A、1 B、2 C、3 4、标准齿轮的压力角为20°,在( )上。 A、基圆 B、分度圆 C、节圆 5、复合铰链的转动副数为( )。 A、活动构件数-1 B、构件数-1 C、等于构件数 6、一对渐开线齿轮传动( )。 A、保持传动比恒定不变; B、传动比与中心距有关 C、在标准中心距的条件下,分度圆与节圆不重合。 7、螺纹的公称直径是指( )。 A、螺纹小径 B、螺纹中径 C、螺纹大径 8、双线螺纹的螺距P=导程L的( )倍。 A、1/2 B、2 C、3/2 9、一个作平面运动的构件具有( )个自由度。 A、1 B、2 C、3 10、在不能开通孔或拆卸困难的场合宜采用( )。 A、圆柱销 B、圆锥销55° C、内螺纹圆柱销(圆锥销) 三、指出下面机构运动简图中的复合铰链、局部自由度和虚约束,并计算机构的自由度,并判断机构是否具有确定的相对运动。(15分)
点击下载参考图片
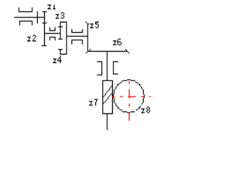
四、已知一定轴轮系如图所示,已知Z1=40,Z2=80,Z3=20,Z4=60,Z5=25,Z6=50,Z7=3,Z8=30,n1=1440r/min,求(1)轮系的传动比;(2)末轮的转速n8;(3)假定轮1的转向如图,在图中标出各轮的转向。 (15分)

答案: 一、填空题 1、定轴轮系 周转轮系 2、心轴 转轴 传动轴 3、约束 数 压力角 5、曲柄摇杆机构 双曲柄机构 双摇杆机构6、方向 传动比 7、齿数 模数 压力角 8、尖顶 滚子 平底9、轴 轴上零件 周向固定 传递转矩 10、摩擦防松 机械防松 铆钉防松11、滑动轴承 滚动轴承12、啮合式 摩擦式 二、选择题 1、C 2、C 3、B 4、B 5、B 6、A 7、C 8、A 9、C 10、C 三、解:n=7 Pl=9 Ph=1 F=3 n-2 Pl-Ph =3×7-2×9-1 =2 因为原动件说明数目与自由度数相同,所以有确定的运动。 四、解:i18=120 n8=36r/min
《机械设计基础》期考试题及答案2010-3-17 本文被阅读 3233 次
|
|
|